首页 | 公司简介 | 公司产品 | 成功案例 | 技术咨询 | 联系   
  鑫泰恒系列建筑节能系统
   
 
  XTH型胶粉聚苯颗粒节能系统
  EPS板及XPS板薄抹灰外墙外保温系统
  EPS板及XPS板外墙内保温系统
  复合硅酸盐板保温系统
  屋面、地下室保温系统
  法国圣戈班集团“适能”、“适墙”保温系统
 

EPS板及XPS板外墙内保温系统

    EPS板及XPS板外墙内保温隔热系统设置与外墙的内侧,由粘结石膏层、EPS板及XPS板保温隔热层、抗裂保护(中间压入耐碱网格布)层、柔性腻子和饰面层构成,该系统施工简单、保温隔热效果好、防火阻燃,整体性好,可降低建筑成本。是目前夏热冬冷地区及夏热冬暖地区理想的墙体保温隔热系统之一。

                                粘结石膏性能

项目

 

细度(2.5mm方空筛筛余%)

0

可操作时间(min)

≥50

保水率(%)

≥70

抗裂性

24h无裂纹

凝结时间(min)

初凝结时间

≥60

终凝结时间

≤120

强度(MPa)

绝干抗折强度

≥3.0

绝干抗压强度

≥6.0

剪切粘结强度

≥0.5

收缩率(%)

≤0.06


EPS板及XPS板外墙内保温系统典型结构




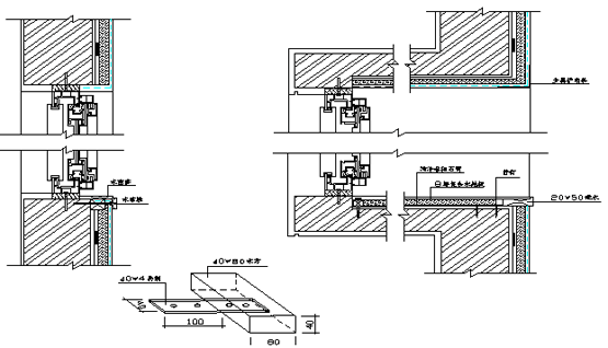
                                窗的节点处理

                                踢脚/开关节点处理
CopyRight©2008 四川省泰恒节能工程有限公司 All Rights Reserved.技术支持:竞业影像  
联系电话:13980716527 邵先生 传真: 028-85577606
公司地址:成都市玉林南街1号
生产厂址:成都市高新南区 三河村